各涉林区绿化市容局:
根据《国务院办公厅关于科学绿化的指导意见》(国办发〔2021〕19号)及市委市政府关于科学造林的相关部署文件,为进一步规范造林项目用地的土壤质量监管,提高科学造林技术水平,确保各类林业建设项目有序推进,现将《上海市造林项目土壤质量管理办法(试行)》印发给你们,请认真按照执行。
特此通知。
上海市绿化和市容管理局
2023年7月25日
上海市造林项目土壤质量管理办法(试行)
根据《国务院办公厅关于科学绿化的指导意见》(国办发〔2021〕19号)及市委市政府关于科学造林的相关部署文件,为进一步规范造林项目用地的土壤质量监管,提高科学造林技术水平,确保各类林业建设项目有序推进,特制定本办法。
一、适用范围
(一)纳入全市年度造林计划范畴内的造林项目。
(二)造林项目分为生态廊道建设项目和生态公益林建设项目。
(三)造林项目用地包含但不限于填塘类地块、减量化地块等。
(四)其他涉及外进客土的林地改建项目。
二、基本要求
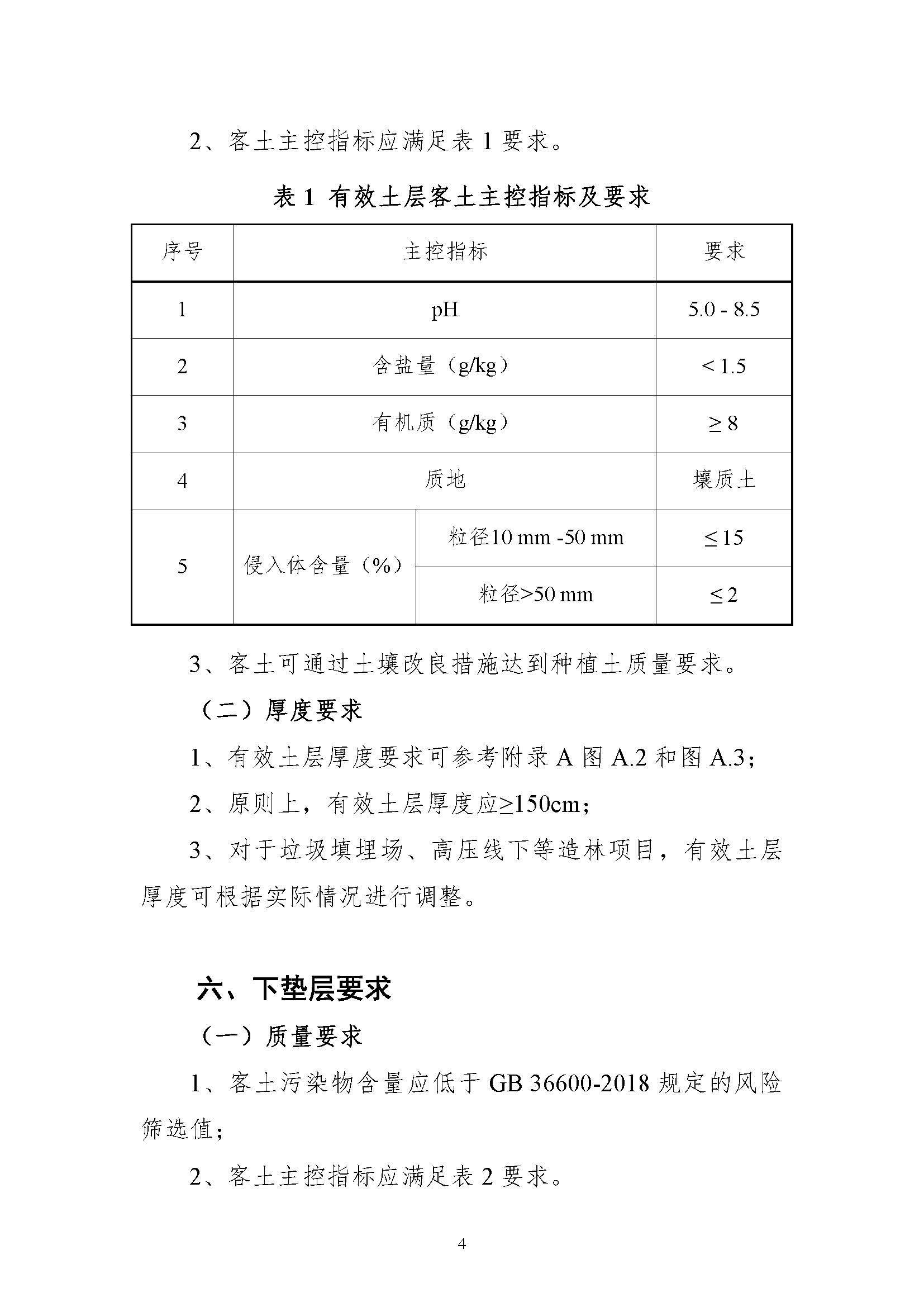
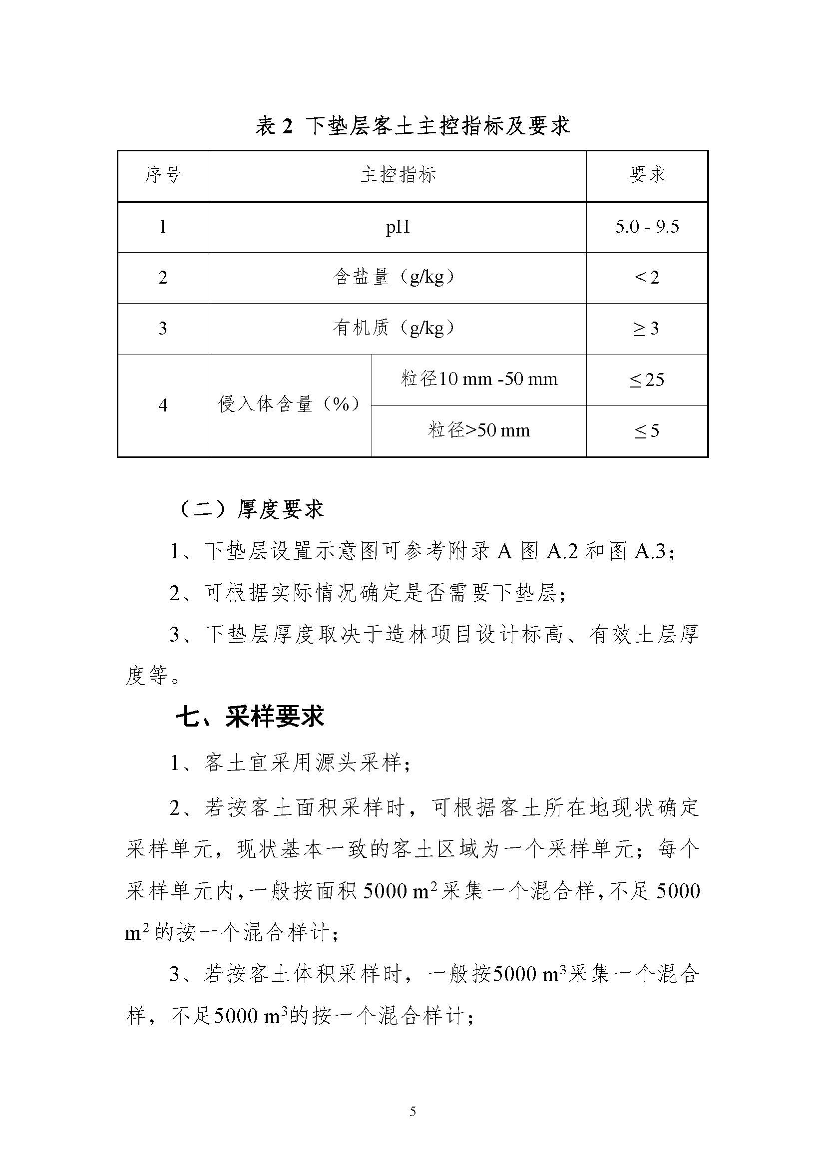
造林项目的土壤应具备常规土壤的外观、常规土色、无明显染色、无明显异味、无有毒有害杂物(电池、塑料等),土壤污染物含量等于或者低于国家标准《土壤环境质量 农用地土壤污染风险管控标准(试行)》(GB15618-2018)的土壤污染风险筛选值。按照《造林项目客土质量导则》进行质量管控。
三、职责分工
(一)市绿化市容局负责根据年度造林项目计划,指导、督促各区按照《造林项目客土质量导则》(附件1)对造林项目的土壤质量进行严格管控,提高科学造林水平。
(二)区绿化市容局林业管理部门负责在造林项目落地实施前,依据《造林项目客土质量导则》,做好规划造林用地的土壤质量管控工作。针对造林用地涉及土方回填的,对回填标高、范围、总方量等应在方案设计阶段进行审核确认;做好相关检测数据审核认定工作,进一步完善土方回填、土壤改良等工作的监督管理;优化巡查审核机制,确保造林种植地块土壤质量达到造林要求,提高苗木成活率。
(三)区绿化市容局环卫管理部门负责辖区内涉林消纳场所的备案审核和管理;督促渣土源头排放单位按照《造林项目客土质量导则》标准要求提供相应的土壤检测报告;对涉林消纳场所重点围绕无害化规范处置、冲洗保洁、台账制度、现场管理等工作进行监督,严格管控现场标高和堆填范围。
(四)区绿化市容局应细化完善内部审核机制,推动做好林业、环卫部门间的信息互通与协同审核工作。
四、管理措施
(一)外进客土造林
1.填塘类地块
区绿化市容局林业管理部门对造林专项规划中涉及的坑塘水面、养殖水面等需要填塘造林的地块要进行先期管控,加强与属地街镇、村委的沟通对接,严禁单位或个人在规划造林地块擅自倾倒生活垃圾、装修垃圾、拆房垃圾、污泥等。
区绿化市容局督促造林建设单位在实施方案设计阶段委托设计单位对回填土的标高和土方量进行计算确认,并上报区林业管理部门进行审核。回填土质量需符合《造林项目客土质量导则》要求。
相关单位根据《上海市市容环境卫生管理条例》《上海市建筑垃圾处理管理规定》及各区建筑垃圾消纳处置场所管理规定等规章制度,向区绿化市容局提交造林建设土方回填书面申请。
区绿化市容局环卫管理部门负责对土方处置(运输)企业的资质进行审核;要求出土单位根据《造林项目客土质量导则》标准要求,形成入场土源的土壤检测报告,由区林业管理部门审核符合要求后方可入场消纳。区林业管理部门在涉林消纳场所土方回填过程中,负责对土壤质量实施过程监管,委托土壤检测单位对客土质量进行抽样检测。若检测结果未满足《造林项目客土质量导则》的,须立刻停止土方回填作业,积极通过土壤改良、更换土壤等措施进行整改。
2.减量化地块
区绿化市容局林业管理部门针对造林专项规划中涉及的减量化地块进行先期管控,遵循“宜农则农,宜林则林”原则,对不适宜农作物耕种的地块以绿化造林方式改善水土质量,推动生态恢复与发展。
区绿化市容局督促造林建设单位在实施方案设计阶段委托设计单位对减量化地块(地上物已拆除,完成初步土地整理)进行现场地质勘测。若有效土层厚度及土壤侵入体粒径等质量指标不满足《造林项目客土质量导则》,依据现场实际情况适度进行土方回填。回填土的标高和土方量应上报区林业主管部门进行审核。
减量化地块涉及土方回填的办理申请流程及具体管理措施,参照上述填塘类地块进行管控和监督。对于进场土方的土壤质量不符合《造林项目客土质量导则》的,区绿化市容局应禁止其进入涉林消纳场所。
(二)现状原土造林
全市造林专项规划中无需进行外进客土的造林地块,其土壤以现状原土为主。土壤质量须满足《土壤环境质量 农用地土壤污染风险管控标准(试行)》(GB15618-2018)的土壤污染物管控标准。造林建设单位应参照《绿化种植土壤》(CJ/T340-2016)的土壤管控标准实施造林;对于不符合质量标准的土壤,应通过施用有机肥、绿肥、土壤调理剂等改良材料对土壤进行改良。造林建设单位应按照造林地的立地条件和树种生物学特性,科学选择树种。优先选择乡土树种,做到适地适树。区林业管理部门应根据相关行业标准对新造林项目实施指导与监管,确保达到科学造林的质量要求。
(三)林地改建
其他涉及外进客土的林地改建项目,参照外进客土造林要求,做好涉林土方消纳处置场所管理及土壤质量管控工作,确保土壤质量符合《造林项目客土质量导则》要求。
五、监督管理
市绿化和市容(林业)工程管理站根据林业项目施工质量监督管理相关规定,负责造林项目施工质量监督,并参照《造林项目客土质量导则》对实施区域的客土质量进行抽查,对不符合质量要求的项目提出整改意见。项目竣工后出具施工质量监督报告。
市林业总站应落实做好造林项目全过程的技术指导和技术监督,加强日常巡督查工作,发现造林地块不符合质量要求的,及时提出整改意见。
区绿化市容局要落实事中事后监管,开展现场检查,加强消纳场所运营期间管理;会同城管、公安、环保等部门建立联合执法机制,定期对涉林土方消纳处置场所开展监督检查。发现土方处置(运输)企业或者其他第三人存在违法违规行为要及时阻止,联合执法。相关处理结果按规定纳入行业信用管理。
镇管理部门应落实属地主体责任,对涉林土方消纳处置场所进行日常监督和管控。发现土方处置(运输)企业或者其他第三人存在违法违规行为,及时移交执法部门处理,相关信息及时反馈区绿化市容局。
六、责任追究
对不按行业标准违规出具土壤检测报告,致使影响造林项目土壤质量管控的情况,相关土壤检测机构将被纳入行业信用管理系统黑名单,不得再从事与绿化林业行业相关的土壤检测工作并追究其法律责任。
对不按设计要求实施堆土造林或土壤质量不达标等情况,将视情节轻重责令限期整改或撤销造林项目,收回相关市级预拨补贴资金等,并追究相关人员的责任。
七、附则
本办法自发布之日起施行,有效期至2025年12月31日。
附件:造林项目客土质量导则











